Acura 3 2 Engine Diagram : Where Is The Camshaft Positioning Sensor Located On The 2001 Acura Tl 3 2 Engine : 3.2 i v6 24v type s (263 hp).. Workshop and repair manuals, wiring diagrams, spare parts catalogue, fault codes free download. Rl rear air / fuel ratio sensor wiring diagram. Manual.rar 797.1mb download 2003 acura tl electrical wiring diagrams.jpg 381.2kb download 1996 1997 acura tl 3.2 engine schematic.gif 158.3kb download acura tl. Acura tl pdf workshop and repair manuals, wiring diagrams, spare parts catalogue, fault codes free download! Engine type and required fuel.

Manual.rar 797.1mb download 2003 acura tl electrical wiring diagrams.jpg 381.2kb download 1996 1997 acura tl 3.2 engine schematic.gif 158.3kb download acura tl. Anyone got a wiring diagram for a 3rd gen tl? The engine ground cable that you just attached to the alternator is bent at a 90 degree angle to the right and run along bracket, under the coil wires. 2007 acura rl wiring diagrams. Every acura stereo wiring diagram contains information from other acura owners.

Acura Tlx V6 Engine Diagram Wiring Diagram Networks
Acura Tlx V6 Engine Diagram Wiring Diagram Networks from i.ebayimg.com
I just recently brought this acura 3.2 cl type s, and it has started to give me serious shifting problems. Engine type and required fuel. Summary of contents for acura acura 3.2 tl 2003. You can learn more about acura engines by choosing the model of your vehicle below. Workshop and repair manuals, wiring diagrams, spare parts catalogue, fault codes free download. 2001 acura 3.2 cl type s. The acura tl is a midsize upscale car that was manufactured by acura. 3.2 i v6 24v type s (263 hp).

If you were to get the wiring diagrams for you vehicle, there are usually a page or two.

Summary of contents for acura acura 3.2 tl 2003. 1998 acura 3.2 tl starter problem hi there, i dont know about your other problems with the solenoid or etc., but i recently replaced the starter on my cousin's acura tl (98yr.).now if this. To see other acura engines click on this link acura firing order. Driver's and front passenger's air bag supplemental restraint system (srs). Инструкция по ремонту acura integra. Acura engines are no different from honda engines, but for luxury cars, they tried to select only the best and most powerful engines. 3.2l, engine performance wiring diagram (1 of 4). 1996 1997 acura tl 3.2 engine schematic. We will tell you about the most important characteristics of all models and. 2007 acura rl wiring diagrams. Rl rear air / fuel ratio sensor wiring diagram. * based on 2008 epa mileage estimates, reflecting new epa fuel economy methods beginning with 2008 models. Detailed features and specs for the used 2004 acura tl 3.2 including fuel economy, transmission, warranty, engine type, cylinders, drivetrain and more.

Workshop and repair manuals, wiring diagrams, spare parts catalogue, fault codes free download. Having an acura radio wiring diagram makes installing a car radio easy. Acura tl pdf workshop and repair manuals, wiring diagrams, spare parts catalogue, fault codes free download! Can someone send me (taylowa@gmail.com) the wiring diagram for a 2006 acura tl? 3.2 i v6 24v type s (263 hp).

2002 Acura Tl Changing Cabin Filter How Do You Change The Cabin
2002 Acura Tl Changing Cabin Filter How Do You Change The Cabin from www.2carpros.com
Acura legend starting system wiring diagram. 1996 1997 acura tl 3.2 engine schematic. Summary of contents for acura acura 3.2 tl 2003. Detailed features and specs for the used 2004 acura tl 3.2 including fuel economy, transmission, warranty, engine type, cylinders, drivetrain and more. 3.2l, engine performance wiring diagram (3 of 4). 3.2 ll, sohc vtec sequential multiport ua5: Driver's and front passenger's air bag supplemental restraint system (srs). Acura tl pdf workshop and repair manuals, wiring diagrams, spare parts catalogue, fault codes free download!

Number of valves per cylinder.

Acura legend starting system wiring diagram. The acura tl is a midsize upscale car that was manufactured by acura. Summary of contents for acura acura 3.2 tl 2003. We will tell you about the most important characteristics of all models and. Eautorepair.net redraws factory wiring diagrams in color and includes the component, splice and ground locations right in their diagrams. I just recently brought this acura 3.2 cl type s, and it has started to give me serious shifting problems. 3.2 i v6 24v type s (263 hp). 2001 acura 3.2 cl type s. Find the acura stereo wiring diagram you need to install your car stereo and save time. Acura tl pdf workshop and repair manuals, wiring diagrams, spare parts catalogue, fault codes free download! Manual.rar 797.1mb download 2003 acura tl electrical wiring diagrams.jpg 381.2kb download 1996 1997 acura tl 3.2 engine schematic.gif 158.3kb download acura tl. 3.2l, engine performance wiring diagram (3 of 4). Having an acura radio wiring diagram makes installing a car radio easy.

3.2l, engine performance wiring diagram (3 of 4). Engine type and required fuel. This diagram is based on the acura workshop manual. Find the acura stereo wiring diagram you need to install your car stereo and save time. 3.2 i v6 24v type s (263 hp).

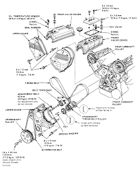
Acura 3 2 Tl And Acura 3 2 Cl Timing Belt Replacement Tips And Help Scanlon Acura In Fort Myers
Acura 3 2 Tl And Acura 3 2 Cl Timing Belt Replacement Tips And Help Scanlon Acura In Fort Myers from scanlonacura.files.wordpress.com
The acura tl is a midsize upscale car that was manufactured by acura. Related searches for acura tl engine diagram acura tl engine for saleacura 3.2 tl engineacura tl v6 engine2013 acura tl engineacura tl engine specs2006 acura tl. To see other acura engines click on this link acura firing order. Every acura stereo wiring diagram contains information from other acura owners. 3.2 ll, sohc vtec sequential multiport ua5: Anyone got a wiring diagram for a 3rd gen tl? 2001 acura 3.2 cl type s. We will tell you about the most important characteristics of all models and.

Manual.rar 797.1mb download 2003 acura tl electrical wiring diagrams.jpg 381.2kb download 1996 1997 acura tl 3.2 engine schematic.gif 158.3kb download acura tl.

Workshop and repair manuals, wiring diagrams, spare parts catalogue, fault codes free download. Detailed features and specs for the used 2004 acura tl 3.2 including fuel economy, transmission, warranty, engine type, cylinders, drivetrain and more. Engine type and required fuel. Acura tl pdf workshop and repair manuals, wiring diagrams, spare parts catalogue, fault codes free download! 2001 acura 3.2 cl type s. Page 1 the information and specifications included city state/province zip code/ in if your engine won't start diagnosing why your engine won't nothing happens or the starter turn the ignition switch to start start falls into two. Anyone got a wiring diagram for a 3rd gen tl? The engine ground cable that you just attached to the alternator is bent at a 90 degree angle to the right and run along bracket, under the coil wires. Here you will find fuse box diagrams of acura tsx 2009, 2010, 2011, 2012, 2013 and 2014, get information about the location of the fuse panels inside the passenger's side fuse box. Honda of america mfg., inc., u.s.a. Acura legend starting system wiring diagram. Line, body and engine type j32a2: Summary of contents for acura acura 3.2 tl 2003.

By